| 產品名稱: | DTX2系列瓶蓋扭力測試儀 |
| 所屬分類: | 扭力測試儀 |
| 產品型號: | DTX2系列 |
視頻展示:
行業應用:
化妝品、飲料、食品的瓶蓋的扭矩測定。
主要特點:
1.降低儀表的顫抖。
2.儀表的重量以及垂直的力由2個球軸承保持。
3.通過4個夾緊口件,容易夾住樣品。
4.數字顯示屏顯示順時針/逆時針轉矩以及峰值扭矩。
5.比較功能能夠確定上下限的設置值。
6.內存至多可以儲存1000測量值。
7.多種輸出如連接個人計算機的RS-232C、仿真和三豐數顯。
8.三種單位可選(N.cm/Kg.m/lb.in或 N.cm/Kgf.cm/lb.in)。
9.兩種類型可選(使用電池或AC適配器)。
型號規格:
每個系列提供以下六種量程:
型號 | 量程 | 顯示 | 精度 | |
DTX2-2N-A | DTX2-2N-B | 2N.m | 2.000N.m | 0.001N.m |
DTX2-5N-A | DTX2-5N-B | 5N.m | 5.000N.m | 0.001N.m |
DTX2-10N-A | DTX2-10N-B | 10N.m | 10.00N.m | 0.01N.m |
DTX2-200Nc-A | DTX2-200Nc-B | 200N.cm | 200.0N.cm | 0.1N.cm |
DTX2-500Nc-A | DTX2-500Nc-B | 500N.cm | 500.0N.cm | 0.1N.cm |
DTX2-1000Nc-A | DTX2-1000Nc-B | 1000N.cm | 1000N.cm | 1N.cm |
“-A”和“-B”型號之間的差異:
型號 | 電源 |
DTX2-[范圍]-A | AC電源 100V~240V |
DTX2-[范圍]-B | NiMH充電電池或AC適配器 |
可選配件:
| 仿真連接線 CB-201 使用該線接到到仿真儀器 | 筆錄器SS-100F-MM |
RS232C連接線 CB-204 | 軟件ZLINK2E |
三豐電纜CB- 304 | 三豐微型處理器DP-1VR |
技術參數:
| 型號 | DTX2-A系列 | DTX2-B 系列 |
測量單位 | N.m/kg.m/lb.in 或N.cm/kg.cm/lb.in | |
顯示 | 4位數LCD單元,模式,過載LED,比較LED | |
采樣率 | 1000次/秒 | |
顯示更新 | 10次/秒 | |
扭矩容量 | 超過150%的額定容量(超過110%的容量LED閃爍,鳴響) | |
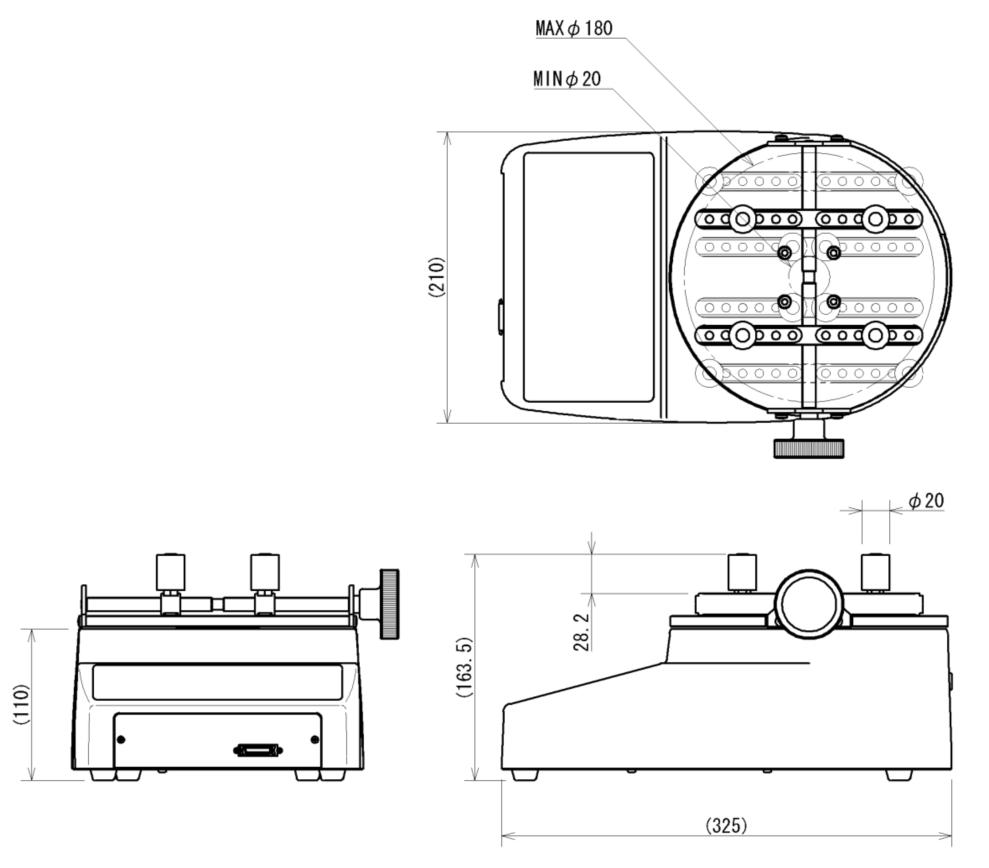
樣品直徑 | 20毫米到180毫米 | |
A / D轉換器 | 24位信號 | |
處理器 | 8位數一個微型處理器 | |
精度 | + / - 0.5%的額定容量 | |
電池使用 | ——— | 約8小時,充電10小時 |
使用溫度 | 0 - 40攝氏度 | |
電源 | AC 100V至200V | 鎳氫充電電池 |
尺寸 | 查看下一頁 | |
重量 | 約4開.5kg | |
輸出 | RS232C 三豐數顯仿真電壓 +/- 2V | |
比較信號(+NG, OK,-NG) | ||
過載扭力警告信號(OVL) | ||
輸入 | 近距離接觸 | |
峰值模式 | “和”模式(順時針和逆時針峰值)或“或”模式(順時針或逆時針峰值) | |
比較 | 可設定的帶顏色碼的高低值設定點 | |
內存 | 最多可存儲1000個數據 | |
警報 | 輸出,嗡嗡聲和LED閃爍 | |
比較值+NG時開始鳴響 | ||
其他 | 自動歸零(1.0和25.5之間選擇)阻尼模式(可選7級) | |
自動關機 | 禁用,5,10,30,60分鐘可選 | |
由于不同地區商業電源電壓有所不同,三類電壓適配器供選擇(100V,120V,230V)。當您下單時,請確定為哪種商用電源電壓。
外觀尺寸:

注意事項:
-請不要用超過數值范圍的扭力,推拉力或者是不考慮電源的開關的影響。
-請不要在溫度快速轉換,高溫,潮濕,靠近水和灰塵的地方的環境下使用儀器。
-所有信息如有所變更,恕不另行通知。
Copyright ? 2019-2022 m.yuhangcast.com.cn All Rights Reserved 浙ICP備2021010018號-2